SOLVED!-04 Trailblazer LT 4.2 L no crank - no start

I feel your pain and wish I could help.
If I remember correctly, there is a past
thread (within the past year) about how
to remove the under hood fuse box and
and look for bad/burnt/corroded connections.
Try using the search function above.
 
Taking a step back! With the replacement PCM installed, should the truck have at least cranked? I watched a youtube video where @MAY03LT swapped a PCM on a buddy's TB and it cranked but needed a relearn. But it cranked!
 
as I suggested, you check the resistance go back from the fuse block / relay socket towards the pcm. That will tell you if you have a "connection" or not.
 
Just a few more questions come to mind:

(1) Was there ever any After-Market Alarm System installed on the Vehicle?
(2) Was the Vehicle purchased used from a Flood Prone area of the country?
(3) Was the Vehicle subjected to high voltage shorting to the frame or body?
(4) Was the Vehicle involved in a motor vehicle accident involving a front end collision?
(5) Was the Under-Dash Wiring ever touched for a Car Stereo System Upgrade or Install?
(6) Have you investigated obtaining a new or Partial Engine Wiring Harness?
(7) Is this Vehicle ever driven through Salty or Brackish Water?
 
Whenever the PCM is replaced, you MUST do a security relearn.

  1. Turn on the ignition, then try to start the engine (it won't of course)
  2. Leave ignition on for approx. 10 minutes until security light goes out
  3. Once security light goes out, turn off ignition and repeat 1 & 2
  4. After the third time, it should start
 
as I suggested, you check the resistance go back from the fuse block / relay socket towards the pcm. That will tell you if you have a "connection" or not.

Thank you, budwich! Yes, you did suggest that in your earlier reply. We have done everything except the resistance check from the fuse block back to the PCM (don't know how to go about it). We did pin out the blue PCM connector which checked out good. The PCM connector diagram C1 thru C3 only shows one ground at C3, Pin 65.

Maybe I am not understanding what I'm looking at correctly but there has to be a way to check resistance from the PCM back to the fuse block. We tested PIN 48 (yellow/black) on connector C1 with the key in the crank position and the test light illuminated which told us that the "starter enable relay control" signal is being sent to the PCM. The question still remains, on which wire from the PCM does the ground signal travel to the starter relay and how did I check that?

I apologize for being "ignorant" on this.

Just a few more questions come to mind:

(1) Was there ever any After-Market Alarm System installed on the Vehicle?
(2) Was the Vehicle purchased used from a Flood Prone area of the country?
(3) Was the Vehicle subjected to high voltage shorting to the frame or body?
(4) Was the Vehicle involved in a motor vehicle accident involving a front end collision?
(5) Was the Under-Dash Wiring ever touched for a Car Stereo System Upgrade or Install?
(6) Have you investigated obtaining a new or Partial Engine Wiring Harness?
(7) Is this Vehicle ever driven through Salty or Brackish Water?

MRRSM - the answer to questions 1-7 is No. Everything on this vehicle is factory. Nothing aftermarket or any modifications done to the vehicle. Everything works as it should except that the starter relay is not being energized with the key in the start/crank position.

Mooseman - I understand that the security relearn must be performed on a replacement PCM. When I had the replacement PCM installed, I expected the engine to crank at a minimum. It didn't. My readings at the starter relay were exactly the same as with my original PCM installed. The only difference was that when the replacement PCM was installed, the security light was indeed flashing. But when the engine did not crank (did not expect a start), then I immediately concluded that the PCM was not the problem.

Unless I am incorrect by expecting the engine to crank but not start, then please let me know. I am more than willing to reinstall the replacement PCM again and go through the security relearn procedure if that is what needs to happen to get a response (crank) when attempting to crank the engine.
 
Last edited by a moderator:
@Rad Please use the +Quote link below posts if you want to reply to multiple people at once. :thankyou:
 
Pull connector c1 from the pcm and check resistance between pin 48(yellow/black) and the relay socket

Then with c1 disconnected from pcm, test pin 31 for positive voltage when the key is turned to start
 
Last edited:
It will not even crank without the security relearn.
 
RAD... I know this must be getting to you by now... but keep your chin up, Brother... This is a Wild Swing (NOT at your chin) ... But I cannot get the image of that damned Ignition switch as having something pulled loose or disconnected or broken wire out of my head. Is there ANY possibility that the Ignition switch... even with all current tests being passed...since it is such a complicated little bugger... might it still be screwing up somehow and interrupting the signal in such a way that the BCM does not like what it sees and hence... the PCM is being cut out of the loop? I know you got it OEM and Brand New... but even so...
 
Last edited:
Pull connector c1 from the pcm and check resistance between pin 48(yellow/black) and the relay socket

Then with c1 disconnected from pcm, test pin 31 for positive voltage when the key is turned to start

Thank you CoolasIce for jumping in. So, what I hear you saying is that I should perform a resistance check by jumping from PIN 48 on C1 to starter relay socket 85. Should that be done with battery disconnected since I will disconnect the negative cable from the battery before disconnecting C1 from the PCM (as cautioned to do before disconnecting from PCM). Or, should it be done with battery reconnected after disconnecting C1 from PCM?

PIN 48 behaved as intended during earlier tests we performed with a test light (connected to + Battery terminal, test light illuminated with probe on PIN 48 and turning key to start).

I am fairly certain that we checked PIN 31 on C1 for positive voltage when we performed earlier checks a few days ago.

RAD... I know this must be getting to you by now... but keep your chin up, Brother... This is a Wild Swing (NOT at your chin) ... But I cannot get the image of that damned Ignition switch as having something pulled loose or disconnected or broken wire out of my head. Is there ANY possibility that the Ignition switch... even with all current tests being passed...since it is such a complicated little bugger... might it still be screwing up somehow and interrupting the signal in such a way that the BCM does not like what it sees and hence... the PCM is being cut out of the loop? I know you got it OE and Brand New... but even so...

Thanks for sticking with me on this MRRSM! The thought has crossed my mind. I recall having to push the original ignition switch to its furthest limit (stop) in order for the TB to start and always thought that to be abnormal. The new switch seems to activate way before reaching the "stop" of key travel. Things under the hood are becoming energized once pushing the key beyond the run position and before reaching the stop position. I've had the new switch in and out several times already making sure that the gear is lined up correctly. I did notice that the new switch smelled funny (not burned - but electrical) which I thought was odd.

I even threw the old switch back in there but then I was right back to the shift solenoid not activating and the RPM and Speedometer jumping around. I am absolutely convinced that the old switch is bad, but who is to say that the new isn't faulty as well!
 
Last edited by a moderator:
@Rad
@Rad Please use the +Quote link below posts if you want to reply to multiple people at once. :thankyou:
Do you not understand what you are being asked to do? If you do not understand please PM @Blckshdw or myself so we can better explain it to you. We are all here to help but you cannot continue to respond to each individual posting.
 
Yes, click those links first, and you'll see an "Insert Quotes" button just below the reply box appear. This will add each of the quoted posts into 1 reply post, with space between them for you to enter your replies. The result will look just like the posts that have been merged. Hope that makes sense.
 
look... the wiring from the fuse block and in particular from the fuse and / or relay goes somewhere according to the diagram. Your interest is in that wiring that goes back towards the pcm. It is a simple resistance measurement to measure from a point at the fuse (fuse removed) to GROUND. IF you get something... depending on what you get, you may be able to conclude that you have continuity thru the wire, thru the PCM to a ground somewhere.... you don't care where. The idea is that you have proved that the wiring has "continuity" cause you measured "something". That's all you need to check. Of course, the "something" could be a bit harder to look at than say "0" or "very high".... that's the key. Depending on the circuit in the PCM that you are hoping to "go thru", you might have a wide range of readings. But if you do see basically "very resistance", it might be probable that the wiring might be an issue.

As you have noted, the two fuses of interest are the ones having PNK leaving and PPL leaving (on my diagrams). Of particular interesting is the PPL which is telling the PCM that you are trying to start your car... but both are important.
 
  • Like
Reactions: mrrsm
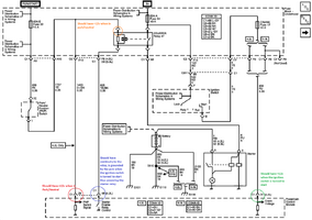
budwich... You are much more skilled than the rest of us in deciphering this kind of problem. Is there any chance you could use an existing diagram of the related circuits parts and highlight the connections and test points and post it back here as a .JPG? Most of us ... me in particular... don't have a deep relationship with de-bugging the PCM. And you know what they say... "If the only tool in your PCM FIX TOOL CHEST is a HAMMER... Everything starts to look like a NAIL...!"
 
start.png
Thank you CoolasIce for jumping in. So, what I hear you saying is that I should perform a resistance check by jumping from PIN 48 on C1 to starter relay socket 85. Should that be done with battery disconnected since I will disconnect the negative cable from the battery before disconnecting C1 from the PCM (as cautioned to do before disconnecting from PCM). Or, should it be done with battery reconnected after disconnecting C1 from PCM?

PIN 48 behaved as intended during earlier tests we performed with a test light (connected to + Battery terminal, test light illuminated with probe on PIN 48 and turning key to start).

I am fairly certain that we checked PIN 31 on C1 for positive voltage when we performed earlier checks a few days ago.

whoa whoa, hold up... so Pin 48 indeed did ground out when you turned the key to start? did you check if the relay socket received the same signal? try the test light again, one side to battery+, the other to the relay socket where pcm pin 48 terminates.. does it light when turning to start?

I have attached a factory wiring diagram with some reference information
 
  • Like
Reactions: mrrsm
my diagram is basically the same as the one just posted.
Not sure what the big mystery is. Pull fuse 22, and measure the resistance to GROUND (a KNOWN ground) from the fuse point going towards the pcm.
Do the same fuse 17. The readings will likely be the same. What are they???? This method checks out the entire circuit without disturbing anything but the fuse.
You can go from there depending on the outcome. Hope that helps.
 
  • Like
Reactions: mrrsm
If it involves Women, Women with Guns... or Electricity... its always "A BIG Mystery" because I never know how working with them is ever going to turn out! Thanks for the update diagram clarification.
 
Last edited:
View attachment 73445

whoa whoa, hold up... so Pin 48 indeed did ground out when you turned the key to start? did you check if the relay socket received the same signal? try the test light again, one side to battery+, the other to the relay socket where pcm pin 48 terminates.. does it light when turning to start?

CoolasIce - PIN 48 received the ground signal at disconnected C1 connector end. When re-connected to the PCM and checking for the ground signal at the starter relay socket (PIN 85), performing the same test, the signal is not present there and never energizes the starter relay. I am, however, able to jump from PIN 68 to PIN 30 and the truck will crank, start and run with the key in the run position. This should also work by jumping PIN 87 to PIN 30. Never a ground signal on PIN 85 of starter relay socket with key in crank position. This may be a bad connection within the fuse block itself which is what I am trying to determine.

I have attached a factory wiring diagram with some reference information

my diagram is basically the same as the one just posted.
Not sure what the big mystery is. Pull fuse 22, and measure the resistance to GROUND (a KNOWN ground) from the fuse point going towards the pcm.
Do the same fuse 17. The readings will likely be the same. What are they???? This method checks out the entire circuit without disturbing anything but the fuse.
You can go from there depending on the outcome. Hope that helps.

budwich - will check and report back in a bit

If it involves Women, Women with Guns... or Electricity... its always "A Mystery" because I never know how working with them is ever going to turn out! Thanks for the update diagram clarification.
 
CoolasIce - PIN 48 received the ground signal at disconnected C1 connector end. When re-connected to the PCM and checking for the ground signal at the starter relay socket (PIN 85), performing the same test, the signal is not present there and never energizes the starter relay. I am, however, able to jump from PIN 68 to PIN 30 and the truck will crank, start and run with the key in the run position. This should also work by jumping PIN 87 to PIN 30. Never a ground signal on PIN 85 of starter relay socket with key in crank position. This may be a bad connection within the fuse block itself which is what I am trying to determine.


The ground for pin 48 comes from the pcm, you need to measure resistance between pin 48 and the relay socket.
 
  • Like
Reactions: Rad
Yes, click those links first, and you'll see an "Insert Quotes" button just below the reply box appear. This will add each of the quoted posts into 1 reply post, with space between them for you to enter your replies. The result will look just like the posts that have been merged. Hope that makes sense.
If I messed up with my replies to multiple responses, I apologize. Still trying to figure out how that part works.

The ground for pin 48 comes from the pcm, you need to measure resistance between pin 48 and the relay socket.
Thinking this through and hearing what you're saying, with C1 disconnected from the PCM, checking resistance between PIN 48 and the relay socket will tell me if the connection between the two points is good since I am not getting the signal with C1 connected. Correct? Thanks!
 
Last edited by a moderator:
Thinking this through and hearing what you're saying, with C1 disconnected from the PCM, checking resistance between PIN 48 and the relay socket will tell me if the connection between the two points is good since I am not getting the signal with C1 connected. Correct? Thanks!
Correct
 
checked resistance between PIN 48 (on C1) to relay socket - resistance measured 0.00
Ok, so that leg of the circuit is good, now, with C1 disconnected, on pin 31, do you measure +12v when turned to crank?
 
  • Like
Reactions: Rad
Currently have battery on charge...ran it down with testing. Will check PIN 31 with key in crank and look for 12 volts and also PIN 29 (Dark Green Wire). Looking at the starting system diagram, the dark green wire (PIN 29)should be "hot" in run or start, yes?
 
Currently have battery on charge...ran it down with testing. Will check PIN 31 with key in crank and look for 12 volts and also PIN 29 (Dark Green Wire). Looking at the starting system diagram, the dark green wire (PIN 29)should be "hot" in run or start, yes?
Yes
 
Will have to continue tomorrow...it's raining out. don't want electrical things to get wet. Battery at 100%.
 
my diagram is basically the same as the one just posted.
Not sure what the big mystery is. Pull fuse 22, and measure the resistance to GROUND (a KNOWN ground) from the fuse point going towards the pcm.
Do the same fuse 17. The readings will likely be the same. What are they???? This method checks out the entire circuit without disturbing anything but the fuse.
You can go from there depending on the outcome. Hope that helps.

budwich - pulled fuse 22 and checked resistance. On the inboard (engine) side of fuse 22 I measured 1.65 to ground. On the outboard (fender) side of fuse 22, the reading was 0.06. On fuse 17, without cranking, the inboard reading was 0.06, no reading on outboard side.
 
FYI @Rad , if you're addressing or referencing another member, use @ in front of their user name so they get a notification.

So @budwich , more info for you.
 
Although your "description" of your testing is some what unclear (since you don't know the relationship between "in board" and "out board"... that should have been checked for sure by looking for voltage based on the circuit diagram to ascertain which side of the fuse is which, further it is unclear what the key position actually was... it should have been key off), it appears that the circuit going towards the PCM in BOTH cases is complete and similar.

Anyways, hopefully the "interpretation" of the results is correct.
Lastly, as others have suggested, you need to check for voltage coming in to fuse 17 with key in start.
At that point, you likely know that the "stimuli" going into the pcm is good and likely getting there.

Although you have checked the DISCONNECTED cabling going from the pcm in prior tests (ie. pin 48), it doesn't really check that you have connection into the pcm. Again do the same resistance test from the relay socket back towards the PCM. What is the reading?

Lastly, just because the PCM is getting all the things that it should, doesn't mean that it can do its work. Not sure if I totally followed all the testing and card swapping stuff, but there was some question about relearning which I don't think you answered. AFTER you complete testing outlined with a old pcm and you don't get the required "grounding" of pin 48, then the replacement should be tested similarly before and after relearning if necessary.

I am unfamilar with the anti-theft systems on gm (my old ford used a different system) and my TB does not have a "smart key" so I am not totally sure how the theft system knows that one isn't trying to steal the vehicle... :-)

Currently, my guess now is that your ignition switch IS NOT providing "start voltage" to the pcm or the PCM is not "happy" in terms of anti-theft (unlikely as then I would think you wouldn't be able to jump start it).
 
  • Like
Reactions: Rad
Thank you! With crank fuse 17 removed and fuse socket probed with a flattened wire, I have power at the fuse socket when key is turned to the crank position. Would this translate to PIN 31 also getting power (which is a check I will do shortly since rainy weather interfered yesterday from performing this check). I will also check for voltage at PIN 29 while connector (C1) is disconnected.

Although you have checked the DISCONNECTED cabling going from the pcm in prior tests (ie. pin 48), it doesn't really check that you have connection into the pcm. Again do the same resistance test from the relay socket back towards the PCM. What is the reading?
How do I test resistance from the relay back to the PCM with connector (C1) connected to the PCM? I can pin probe the wire at the connector harness - or do you mean just probing around the PCM body checking for a good ground?
 
Last edited by a moderator:
pull the relay out of the socket and put your probe into the socket... just like you did for the fuses. An "access point" is an access point.

NOTE: you are NOT trying to measure the relay so it has nothing to do with your effort at this point.
 
Last edited:
with the relay removed and probing relay socket 85 (GND) and contacting a any other known good ground, I have no reading at all (this is with the key out of the ignition). If this test needs to be done with the key in the crank position, I can't do that at the moment since I don't have anyone here to turn the key. When @MAY03LT demonstrated this test in his video, he received a ground signal with the key in the crank position...so, I believe that I should not get a reading at socket 85 with the key off.
I have done this check numerous times and never get a signal with the key in crank.
 
I am most likely not fully understanding how I should perform the check you are asking me to perform. My wife just got back home and I will have her turn the key to crank and repeat this test and check for resistance at relay pin 85 and ground.
 
no, you understand perfectly well. I wasn't expecting anything on the reading with the key off.... it was a "test". BUT.... you never know and I certainly don't know what is inside a PCM... it could be a small relay switch, it might be a high resistance point, it might be an active component. But with out the test, you don't have anything to go on.

Anyways, the next step is as you suggest, get a key turned to start and monitor the resistance at the point in question.... it should go down towards zero.

I am concerned about the fact that your battery isn't holding up. Since this "testing" in general, hasn't been causing any "crank", your battery should hold up to this readily (assuming things like courtesy lights / headlights / etc are turned off). Anyways, hopefully you are close to the end.


PS. I see that you have indicated that you have indeed done this check (key start, look for ground). numerous times... :-( BUT how are you checking for ground. That check cannot be done via voltage, it can only be done via a resistance check. IF you are lucky, you might "witness" a resistance change... but not good enough to be GROUND... :-)
 
Last edited:
  • Like
Reactions: Rad
@budwich - ok...so I just had my wife turn the key to crank while I probed relay socket 85 with meter set to Ohms and I got a reading of 9.39 - 9.40 with probe in socket and a good ground. This held true while I continued to maintain contact at both ends even after she turned the key of until I released contact with the probes. When I re-contacted the same points with the key off, I had no reading at all until I had her push the key to the crank position again which resulted in another 9.30 - 9.40 Ohms reading. I believe that I should have had a reading of 0.00.
 
Thanks! I think you're right! I will check the yellow/black wire for resistance along it's way from the PCM to the relay. I already did some of that throughout this whole process and know where I had good readings. I suspect the problem lies between the externally mounted fuse block connector and the fuse block itself.

Stepping away from the computer for awhile and do some checks. It may come down to where I have to remove the top of the fuse box. I will post my findings.

<Mooseman edit> Merged your posts. Please use the Edit button on your last post when adding more info within a few minutes of the last post.
 
Last edited by a moderator:
I hope you don't need to do this part a second time, but If replacing the ignition Switch AGAIN becomes necessary as things develop with your new discovery, these instructions describe for the rest of us that the Passlock System is a bear to disengage and the incorrect installation the a new Key barrel has to be done with extreme care as a NO START NO CRANK event can occur... and that suggests that it may already have happened @Rad since you mentioned the weird rotational position issues involving your Ignition Key earlier in your posts.
-----------------------------------------------------------------------------------------------------------------------
The first video describes just the replacement of the Key/Lock Barrel on GM Trucks as a fairly straightforward process and does not require invading the Passlock internals in the Steering Column... so if you think doing this is necessary... just replacing the Key/Lock Barrel is probably the best place to “Start”.

This second video show echos the nightmare complex procedures you already went through once for removing the Ignition Switch on the 2003-2009 Trailblazer:

These instructions are related to the more complex repair:

Ignition Switch Replacement
Tools Required
J 42759 Ignition Switch Connector Release Tool

Removal Procedure
Disconnect the negative battery cable. Refer to Battery Negative Cable Disconnect/Connect Procedure in Engine Electrical.
Caution
Refer to SIR Caution in Cautions and Notices.

Disable the SIR system. Refer to SIR Disabling and Enabling Zone 3 in SIR.
Remove the hush and knee bolster. Refer to Knee Bolster Replacement in Instrument Panel, Gauges, and Console.
Remove the steering column trim covers. Refer to Steering Column Trim Covers Replacement .
With the key installed, turn the key to the RUN position.

Install an allen wrench into the hole on top of the lock cylinder housing. Push down on the allen wrench to release the tab on the lock cylinder inside the lock cylinder housing.

Slide the lock cylinder out of the lock cylinder housing.
Disconnect the passlock and key buzzer from the lock cylinder housing.

Insert J 42759 into the lock cylinder housing to release the tabs on the ignition switch.
Pull the ignition switch out of the lock cylinder housing.
Disconnect the connector from the ignition switch.

Installation Procedures:

Important
The gears between the ignition switch and the lock cylinder housing must be in the correct position. Failure to do so will cause a misalignment of the gears in the ignition switch and the lock cylinder housing, which may result in a NO START or BATTERY DRAIN.


Verify the alignment of the gear (1) in the ignition switch (2). If gear (1) is not in position shown, turn gear in ignition switch (2) until you reach the correct position.

Use a screwdriver to rotate the lock cylinder housing gear counterclockwise until it hits a stop.
Connect the connector to the ignition switch.


Insert the ignition switch into the lock cylinder housing. The tabs (2) on the ignition switch MUST be seated inside the lock cylinder housing (1) for proper installation.

Use a screwdriver to rotate the lock cylinder housing gear clockwise to the START position - allowing it to spring return into the RUN position.

Align the lock cylinder and install the lock cylinder into the lock cylinder housing.
Connect the Passlock and key buzzer into the lock housing.
Install the steering column trim covers. Refer to Steering Column Trim Covers Replacement .
Install the hush and knee bolster. Refer to Knee Bolster Replacement in Instrument Panel, Gauges, and Console.

Enable the SIR system. Refer to SIR Disabling and Enabling Zone 3 in SIR.
Connect the negative battery cable. Refer to Battery Negative Cable Disconnect/Connect Procedure in Engine Electrical.
 
Last edited:

Forum Statistics

Threads
24,056
Posts
646,301
Members
20,232
Latest member
cthomps427

Members Online