Electrical help needed

Yes, that's the one. One from any GMT360 (TB, Envoy, Bravada) of the same year and gearing will work.
 
Thank you very much Mooseman. I many be able to get one from a 2003 Envoy. It’s snowing like crazy out so it may be a day or two. Any idea if replacing the PCM will actually be the starting problem or will it just solve the PCM B fuse from blowing ? Also, is only the negative battery terminal need to be disconnected before disconnecting the PCM or both ? Thanks again
 
Don't forget to pick up some more 20Amp Fuses... and when you have time... There is an Excellent FAQ on the subject of "Where to Locate Grounds" on our platform. There have been cases that involve the PCM getting Short Circuited by "Intermittent Grounds".... and looking for the those and confirming that Road Salt has not corroded any loose would be helpful...
 
Thanks for reminding me Mooseman. I probably would of forgot LOL ! Is there any grounds in particular I should check ? I have checked the one inside by the console on the passenger side. It was very clean and tight. I didn’t remove it because it was very tight and looked spotless. Would a bad (new) ignition switch possibly be causing this problem ? I was thinking of going to AutoZone and getting the Dorman brand if there is a possibility. And once again, thanks for your help. I really appreciate it.
 
That last message was from MRRSM... You should never confuse a Great Muggle like me with... "The Master"...WOW... LOL ( Now.. when THIS Project is finally finished... You have just GOT to get some sleep... :>)

Here is the Link to The Technical Sub-Forum that covers “GROUNDS”:

https://gmtnation.com/forums/threads/electrical-ground-locations.15491/

As for the Ignition Switch... Sorting this out of a GM Engine Harness To PCM Schematic would be the way to go. THIS is the One You Want:

http://www.rockauto.com/en/moreinfo.php?pk=192838&cc=1412277&jsn=551
 
I would stay away from Dorman for anything electrical. ACDelco is the De Facto go to for these parts. Others have been known to fail in short order.

For the PCM, if you are stuck with just that one, it will work but your speedo will be off if it's a different gearing.
 
Sorry for the confusion lol. At this point I don’t know which end is up ! Lol THANK YOU to both of you guys. The new switch I purchased and installed is an ACDelco but I was just wondering if there was a possibility if that one was bad out of the box it would be giving me these problems. There are a couple 2003 Envoys at the yard and hopefully they still have their PCMs and same gear ratio. I’m going to the yard today for the PCM. It’s only 15 degrees out so this is gonna be rough. I just hope to drive my TB soon. Believe it or not I still really like it.
 
Ok guys. Just an update. I got a ride to the local pick n pull yard. The only 2003 model they had was a 2003 Envoy. GU6 is listed on the glove box sticker so I assume that’s the gearing code because that’s the only listing that starts with a “G”. The Envoy at the yard had GU6 also so hopefully it’s a match. I sprayed the contacts with electrical contact cleaner and it’s drying as I type. I’m probably going to have to wait for it to stop snowing because I want zero chance of any condensation getting between the connectors. Boy was that an adventure at the yard. It was like a blizzard when I went and actually had to take refuge in an old Ford custom van until the snow slowed down enough to see lol. If there are any pointers other than the security relearn, I’d love to hear some words of wisdom. As always, many thanks in advance.
 
That's correct, the most common. If yours is also a GU6, you're golden. If not, just your speed will be off.

And in case you are looking for it, Security Relearn.
 
Hello everyone. Ok, here’s the lastest update of my electrical nightmare. I did find a PCM from a 2003 Envoy with the same GU6 gearing as my TB. The Envoy PCM is now installed. I did the security relearn which took 3 times to work. The truck will now crank for a moment but #10 PCM B fuse blows right away and the truck will no longer crank. If I pull relay #41, which is for the fuel pump I believe, and replace the blown #10 PCM B fuse with a good 20 amp fuse, it will crank and sputter for a second and NOT blow the fuse. I’m guessing the problem is now narrowed down to the fuel pump or the fuel pump wiring. Are there any connectors or ground wires to the fuel pump that are exposed and accessible without dropping the fuel tank ? With the fuel gauge pegging and then once in a while working correctly I’m guessing a corroded wire somewhere. Any ideas ? I’d love to hear them. Many thanks in advance.
 
Make sure you watch the entire video all the way to the end as @MAY03LT has a Post Script edifying his Viewers on WHY using ONLY OEM Quality Fuel Pumps is a necessity… MAKE SURE THAT YOU DEFINITELY DO DISCONNECT THE NEGATIVE BATTERY CABLE... JUST IN CASE YOU HAVE SHORTED, SPARKING HARNESS WIRES LAYING AROUND ON TOP OF YOUR TANK AROUND EXPOSED TO OPEN FUEL VAPORS ONCE THE FUEL PUMP SEAL IS OPENED WIDE UP:

 
  • Like
Reactions: Adjustso3
Thanks MRRSM. It sure looks like that’s gonna be fun ! Yeah right ! I have at least 3/4 of a tank of gas in my tank. It looks like the only connector is the one that connects to the fuel pump from that video. I can’t believe how expensive a fuel pump is according to the video. I guess it’s time to look at Amazon or Rock Auto for an ACDELCO pump. So you think my pump is bad and is popping that PCM B fuse ? I defiantly can’t hear it run but I don’t remember hearing it before either. Thanks again.
 
At this point in "The Saga of The Search for Electrical Gremlins"... I cannot swear definitively that it is the Fuel Pump... I was just trying to answer your specific question involving how to go about doing the repair. because the #41 Fuse is NOT Blown and that puzzles me. I don't have a clear Electrical Diagram to use as a Flow Chart Diagnostic tool to "follow the juice" down the line for isolation purposes which I think is needed because MORE than one of the Electrical Hardware Items is affected as soon as the Ignition Key is turned and the PCM itself is threatened with too much Amperage bashing apart its innards.

Since you have not actually investigated the Park Neutral Switch or confirmed its integrity by looking things over down there ...I would not proceed toward an R&R of the Fuel Pump if something more obvious can more easily be found and repaired. It could well be something else that stops all power to the PCM...ergo... No PCM Signals available to ALLOW the Fuel Pump Circuit to engage.

Another issue to discuss here is the Safe Removal of your Fuel Tank. Look into obtaining a "GASTAPPER" Kit and a few 5 Gallon Polyethylene Gas Cans to manually siphon out that Fuel Tank BEFORE you attempt to unstrap and lower it with way too much weight in fuel inside. These links and video will help will help:

https://www.amazon.com/dp/B00QDC31VO/?tag=gmtnation-20

https://www.amazon.com/dp/B000W9JN4S/?tag=gmtnation-20


Here is a complete list of the Fuses and Relays in the Main Fuse Box (Engine Bay) and the Rear Under Seat Fuse box… to Double Check ALL of them to see whether or not Multiple Fuses have blown since the R&R of the Replacement PCM:

Mini Fuses

1 ECAS
2 Passenger?s Side High-Beam Headlamp
3 Passenger?s Side Low-Beam Headlamp
4 Back-Up Trailer Lamps
5 Driver’s Side High-Beam Headlamp
6 Driver’s Side Low-Beam Headlamp
7 WASH
8 ATC
9 Windshield Wipers
10 Powertrain Control Module B
11 Fog Lamps
12 ST/LP
13 Cigarette Lighter
14 COILS
15 RIDE
16 TBD Ignition 1
17 Crank
18 Air Bag
19 ELEK Brake
20 Cooling Fan
21 Horn
22 Ignition E
23 ETC
24 Instrument Panel Cluster, Driver Information Center
25 Automatic Shift Lock Control System
26 ENG 1
27 Back-Up
28 Powertrain Control Module 1
29 Oxygen Sensor
30 Air Conditioning
31 TBC
50 Passenger?s Side Trailer TRN
51 Driver?s Side Trailer TRN
52 Hazard Flashers

J-Case Fuses Usage

32 Trailer
33 Anti-Lock Brakes (ABS)
34 Ignition A
35 Blower Motor
36 Ignition B
37 Blank
38 Rear Window Washer
39 Fog Lamps
40 Horn
41 Fuel Pump
42 Windshield Wipers/Washer
43 High-Beam Headlamp
44 Air Conditioning

Solid State Relays
45 Cooling Fan
46 HDM

Mini Relay Usage

47 Starter
Miscellaneous Usage
48 Instrument Panel Battery
49 Fuse Puller

Rear UnderSeat Fuse Block
Fuse Usage
01 Right Door Control Module
02 Left Door Control Module
03 LGM 2
04 TBC 3
05 Rear Fog Lamps
06 LGM/DSM
07 TBC 2
08 Power Seats

09 Blank
10 DDM
11 AMP
12 PDM
13 Rear Climate Controls
14 Left Rear Parking Lamps
15 Auxiliary Power 2
16 VEH CHMSL
17 Right Rear Parking Lamps
18 LOCKS
19 Blank
20 Sunroof
21 LOCK
23 Blank
24 UNLOCK
25 Blank
26 Blank
27 OH Battery/OnStar System
29 Rainsense Wipers
30 Parking Lamps
31 TBC 4CC
32 TBC5
33 Front Wipers
34 VEH STOP
35 Blank
36 HVAC B
37 Front Parking Lamps
38 Left Turn Signal
39 HVAC 1
40 TBC 4
41 Radio
42 TR PARK
43 Right Turn Signal
44 HVAC
45 Rear Fog Lamps
46 Auxiliary Power 1
47 Ignition 0
48 Four-Wheel Drive
49 Blank
50 TBC IG
51 Brakes
52 TBC RUN

J-Case Fuses Usage
32 Trailer
33 Anti-Lock Brakes (ABS)
34 Ignition A
35 Blower Motor
36 Ignition B
37 Blank
38 Rear Window Washer
39 Fog Lamps
40 Horn
41 Fuel Pump
42 Windshield Wipers/Washer
43 High-Beam Headlamp
44 Air Conditioning
Solid State Relays
45 Cooling Fan
46 HDM

Mini Relay Usage
47 Starter
Miscellaneous Usage
48 Instrument Panel Battery
49 Fuse Puller
 
Thanks MRRSM. I’m not positive it’s the fuel pump but may be a corroded connector. That #41 is a relay and the PCM B fuse is #10. If I pull the fuse pump relay there is no power to the fuel pump and that fuse #10 doesn’t blow and the engine cranks and actually sputtered the first time I’m assuming because it just had a drop of fuel but no pressure from the fuel pump. But as soon as I plug the fuel pump relay back in, the starter makes a slight noise and blows the #10 PCM B fuse. I’m thinking even if it’s only a corroded wire or connector, I might as well replace the fuel pump because it doesn’t look like a job I want to do again. I’m guessing it would also explain the wonky fuel gauge too. I’m not 100% positive but it’s the only thing that makes any sense to me. I think this will only take care of the no crank problem. Im guessing there are other problems with the key not coming out and the shifter being able to be moved out of Park without stepping on the brake. There just appears to be a large list of electrical problems. If you’re confused, just imagine how I feel LOL ! This is driving me absolutely crazy ! Thanks again. Maybe if somebody has any other theories they will chime in.
 
If it was the fuel pump or the wiring from the relay to the pump, it would be the pump fuse that would blow, not the PCM fuse. Have you tried swapping the relay with another similar one in the fuse panel? Could be the relay itself is bad and drawing too much current from the PCM.

As an experiment, you could jumper the relay socket to run the fuel pump continuously and try to start it.
 
  • Like
Reactions: Blckshdw
X2 in the "direct wiring" of the pump "test". I don't have wiring access, but I don't think that the fuel pump / relay get any powering from the pcm... the PCM usually works in "grounds switching" mode. The only source of "pcm fuse blowing" is related to 5v powering related to the various sensors. These can be tested for shorts to ground with a simple resistance test using a meter (and pin probe if necessary) at the appropriate connectors either at the pcm or sensor depending on ready access. Yes, the fuel gauge may be shorting but you don't have to crawl under the vehicle to check this as there are other points (as mentioned) where this can be checked. Once you have determined which sensor is an issue, you can then focus your attention on tracing thru the wiring / sensor unit to see where the actual fault is. This will save you both time and money in blindly replacing parts for no affect (the pcm replacement is already an example). Again, as was suggested earlier, you need to work thru ONE issue, tracing / checking all aspects of that issue until you fully understand its root cause and solution as opposed to looking for a "silver bullet fix that solves everything".

oh oh... I see that chevy has indeed been wired differently... :-( fuse 10 provides power towards the fuel pump as opposed to the PCM... at least on one of the images online. The test is still the same, check the resistance on the outgoing pin of the fuel pump relay to see if the problem is past the relay or at the relay / block.
 
Last edited:
Thanks guys. Yes I did swap the relay for the fuel pump with another one with the same results. So it looks like if the fuel pump has power through the relay, the PCM B fuse blows and the engine will not crank. If I pull the fuel pump relay, the PCM B fuse will NOT blow and the engine WILL crank. I’ll see if I can find a diagram on which points to jump In the relay socket. Just a note, the key will still not turn back to remove it unless I press the button under the key cylinder but since it does crank, I’m assuming the ignition switch is installed in the correct tooth orientation because it does crank now since the replacement of the PCM. Thanks for all the help guys.
 
There's a schematic right on the relay. You would need to jump terminals 87 and 30.
 
Hello Everyone. Sorry I’ve been MIA for a little while but this crazy flu that has been going around finally went through my household. As soon as the snow lets up I want to jump the fuel pump relay as suggested by Mooseman. I don’t see a direct fuse for just the fuel pump. If I remove the FP relay and jump it, which fuse will blow if there is a problem with the wiring or the FP ? I have looked at the wiring diagrams and have a question. Other than the connector that plugs into the fuel pump, are there any other connectors or ground straps that are accessible without dropping the fuel tank ? I can’t seem to find a diagram of the harness which I assume runs along the drivers side frame rail that runs to the fuel pump with the locations of the connectors. Many thanks in advance.
 
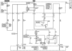
While trying to run down the Wire Harness layout for the Fuel Pump... I ran across these three additional Wiring Schematics that cover The Starter Circuit, The Fuel Pump-EFI Circuit and The Fuel Pump-Sender Connector Wiring arrangement JIK you need them by and by.

I also reviewed a Youtube Video created by "RealFixesRealFast" in which they went about completely removing the body and lifting it off of the Trailblazer in order to separate the locked up transmission from the Blown Engine. The attached Three Screen Prints are the best I could make out for what the Under-Body Wiring Harnesses look like as the feed sub-sets over to the Fuel Pump Motor and Sender locations.

As you can see... the wiring harness is not constructed of discreetly made units... but rather is more like "a Big Bag of Snakes" where one or two smaller wire bundles are pulled out and sub-wrapped where needed to address any particular vehicle module or electrical need. Trying to sort all of that out is a bit like trying to separate Fly-Sh*t from Pepper.

Nonetheless... the screen prints will point you to their specific times of appearance in this unique video if you want to do further investigation. My guess is that you will have to wait to drop the Fuel Tank to access the wiring and then follow @budwich 's suggestion to probe each wire with a Point Probe (Scope on a Rope) after the FP Connector is removed and a New 20 Amp Fuse is replaced at the #10 Fuse Box Location along with the correct Fuel Pump Relay being re-installed.2003GMTBSTARTERSCHEMATIC.gif2004GMTBFUELPUMPEFISCHEMATIC.gif2004GMTBFUELSENDERCONN.gifRFRSTBBODYREMOVED1.jpgRFRSTBBODYREMOVED2.jpgRFRSTBBODYREMOVED3.jpg

 
Last edited:
Hi there MRRSM. WOW, thanks for those diagrams and the video. That’s going to help out a lot. The weather is not cooperating with me. Why can’t things break down when it’s nice out, instead of single degree temps and piles of snow ? I did read a thread that there is a connector within the harness that’s located on the drivers side frame rail near the rear door that leads to the fuel pump. Hopefully I’ll be able to put the TB up on jack stands very soon and do some troubleshooting. As always, thank you for your time and assistance.
 
I think you are making this more difficult than you have to. Get a meter and measure the resistance going out of the relay socket towards the pump. That will likely tell you if you have to dig deeper. Still further, with everything plugged in "properly" (ie. fuses, relay, etc), turn your key to ON (don't try to start).... what happens? Does the fuse blow? Does the pump run? (can you hear it?). Depending on the results, you can go from there.
 
Thanks Budwich for the reply. You’re probably right about making things more difficult. I get my meter back tomorrow so I’ll check what’s going on in the fuel pump relay. I’m also not sure when that PCM B fuse blows. I’ll check that and report back. Thanks again guys for all the help.
 
Hello everyone. I finally have a break in the weather to check on some things on the TB. The last post from Budwich asked if I put a good fuse in the #10 spot with the fuel pump relay in the #41 spot and just turn the key forward, what happens. The #10 fuse blows immediately. I have a question about something I noticed. What makes a clicking noise around the PCM area when the #10 fuse is put in ? The reason I’m asking is because if I take the fuse out and put it back in over and over again I can hear a clicking noise around the PCM area when I “energize” the #10 fuse slot with the key in the forward position. I’m going to need a helper to jump the 87 and 30 slot of the fuel pump relay to check if the fuel pump is running because I’m a little nervous about leaving that jumper in while I crawl under the truck. That will be done later on tonight. Another strange thing is happening since I tried to jump the fuel pump and listen for it. Now if the key is in the forward position, the starter ingages and doesn’t stop turning over until I press the button below the key and take the key out. If I put the key back in and turn the key forward without trying to start it. It immediately cranks the starter without turning the key to the start position ! What in the world is going on with my TB ? Any suggestions ? I’d appreciate any help before I take a match to this truck.
 
Are you certain that the clicking is coming from the PCM and not the underhood fuse block?

And the behavior of your key sounds like your ignition switch is either broken or misaligned.
Our trucks are set up such that once you turn the key to start and the starter has begun to
spin, you can release the key and the starter will continue to spin until the engine has started.
I've never checked to see if there's a timeout on that process. It sounds like your ignition switch is
offset by one complete position. I know you got a replacement, so either it slipped during install, or
possibly the engagement gear from the keyway messed up. That switch acts as a pathway for a lot of signals.
If the switch isn't the cause, check the wiring harness for damage.

Good Luck!

Chris
 
Thanks for the reply Chris. This constant cranking just started as soon as I jumped the fuel pump relay to see if I could hear the fuel pump running. I did smell a little burnt wire when I jumped it but guessed it was the small gauge wire I was using to jump the relay slot. No that noise is definitely not coming from the fuse block. As I insert the #10 fuse in the fuse block that’s when I can hear the clicking noise. If I keep pulling the fuse out and putting it back in, over and over again is when I hear that clicking noise from around the PCM area.
 
Fuse 10 is blowing as soon as you turn on the ignition, I would suspect either a short downstream from the relay or the fuel pump has gone bad and drawing more amps than it should, which could be dangerous if you jump the relay and force a ton of amps onto the wiring. Imagine that wire turning into a burning element in your tank. Might be why that jumper you used got hot.

I agree with @christo829 that your ignition switch is probably off by a gear tooth.
 
it is more than likely that you have severe wiring issue that isn't associated with the pump.... why... because you now indicate a "starter action" when you aren't at the starter key position... even a short on the fuel pump is not going to cause this.
 
Thanks for the replys guys. It sounds like I will have to drop the tank and look at the wiring and as long as it’s out change the fuel pump. It’s sounding to me more and more that I got a defective ACDelco ignition switch because of all the problems I’ve been having since it’s been installed. Is there any possibility that I may of fried the wiring in the fuse block itself when I jumped the fuel pump relay ? Is it difficult to pull the fuse block and see the underside where the fuses and relays plug in ? The constant starting problem just started AFTER I jumped the fuel pump relay and smelled burnt wire. Any thoughts ?
 
Do the switch first! :) It sounds like the fuel pump circuit is getting energized too soon, which could still be that
switch. After that, take a meter to the circuit like @budwich mentions in post #104. You might just find the
problem without having to drop the tank yet. Unless you really *want* to drop the tank? ;)

Cheers-

Chris
 
Might as well change the switch while you're there. ACDelco only for these as others don't last. Just make sure the gears are properly aligned.

If the fuse still blows, before condemning the pump, I would disconnect the connector at the pump and see if the fuse still blows. If it does, then you have a wiring short before the pump.
 
Thanks guys. Great advice. I’ll order another ACDelco switch as soon as my disability check clears. I don’t want to change parts that I can’t afford or need. It’s just strange that it only started cranking in the accessory position after I jumped the fuel pump relay. Does anybody have an idea what is making the “clicking” noise like a solenoid near the PCM area when fuse #10 is installed with the key in the accessory position ? It almost sounds like the PCM itself or something under the black plastic cover right behind the PCM. As always, I appreciate all your help.
 
Just after you pull the Ignition Switch out of the bottom of the Steering Column... Remove JUST the Ignition Key from the Key Ring in case you have a whole bunch of other keys weighty amount of them and insert it into the Key Tumbler. Use a bright flashlight and rotate the Key forwards and backwards and look up into the bottom of the lockworks where the teeth are and make sure nothing is loose or cracked...and after cycling the Key in this manner... when you are done...Make sure that the Ignition Key is Rotated COMPLETELY to the Off Position... before re-inserting your AC-Delco Ignition switch...with the matching Teeth set in EXACTLY the Correct Position.
 
Thanks MRRSM. I will definitely do what you said. I won’t be doing anything until Monday because I have to help out my buddy with the kidney cancer. Just in case you were wondering he is doing pretty good with the cancer meds so far and can walk a little now with his new pain meds. Back to the TB. It just confuses me that this cranking in the accessory position only started AFTER I jumped the fuel pump relay and smelled a little burnt wire from the fuse block area. Very strange. Any idea what makes that clicking noise like a solenoid when I insert the #10 PCM B fuse ? It makes a clicking noise when contact is made from the #10 fuse. I was wondering because if this “part” that’s making the clicking noise is bad or corroded, it may be the reason for the fuse blowing. Just a thought. I think I’m going to order another ignition switch and see what happens. Just to double check. The last tooth of the second large gap is just out of site when aligning the teeth on the switch correct ? Thanks again
 
I hope you didn't burn and short something in the fuse box.
 
Last edited:
I hope I didn’t either ! Is there any special procedure other than taking out the three or four bolts to take a peek underneath the fuse connectors?

I believe there are a number of plastic clips around the outside of the fuse block, that retain the top and bottom halves together as well. They are the annoying kind, that if the 2 halves re-seat themselves, the clips reengage, so wedging a small piece of duct tape or something between the tongue and tab once you've got it opened could be helpful to reduce the amount of cursing you do. :twocents:
 

Forum Statistics

Threads
24,113
Posts
647,000
Members
20,403
Latest member
chrissharp0510

Members Online

No members online now.