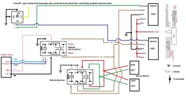
Whew, this thread has been dead for a hot minute! My previous setup has worked great for many years, but I've had to make a couple of minor changes to the logic since then. For those who are comfortable designing circuits, the changes are minor, but for everyone else... I finally got around to making a proper schematic, although the ones that
@cameeks and
@jpinoy made were great!
I added a kill switch to stop the auto folding feature, and for some reason my OEM mirror switch wasn't pushing enough juice to run the mirrors, especially when the alternator wasn't running, so I added two more 5 pin relays tied to 12V, and used the mirror switch signals to trigger those relays instead.
So here's the parts list, and schematic for my current setup. (some of the wire colors aren't showing up very well, couldn't find a way to thicken the lines in the software

)
Diodes: 5
5 Pin relays: 3
DPDT relays: 2
DEI 528T timer relays: 2
Kill switch: modder's choice, I used a momentary push button
Connectors: modder's choice