Truck will turn over but not start. Throws codes 1555 & 1556.

Buffalo1028

Member
Joined
Dec 8, 2011
Posts
18
Hello,
I am still learning my way around this site. Thanks to Roadie for his guidance and help. I have a 2002 GMC Envoy 4x4 4.2. Bought it new, it has 225000 miles on it. I do most of the work myself. This truck was first model year production, built in Oct. 2011. I am not able to start it. It is coding 1555 & 1556. I went to a You Pull it Yard and got a gas pedal with sensor out of a wreck. I was going to another yard today to get a TPS. I know this is a shot gun approach. I do not know how to check these parts that are on the truck. I just put in fan clutch number 4 and was careful about not destroy plugs or pinching wires. The ignition lock froze. I used WD40 and a gentle tap from a rubber mallet. The key now turns and the truck was starting fine before it quit. The steering wheel does not lock after my mallet approach. I have checked fuses under hood and seat.

I would appreciate any and all input. I am over my head. I would like to keep this truck for at least another 100K. Wondering wether the tampering with the ignition has any thing to do with this current situatin. I replaced the ignition switch about 50K a go.

Thanks

Buffalo1028
 
For one thing, the steering wheel won't lock. GM did away with that.

If the key wouldn't turn, you may have damaged the keyway in popping it loose. This
may have affected the ignition switch, depending on what was actually jammed,and how
hard you hit things to make them come loose. You may have had an interlock failure that
caused the stuck key, or the tumblers may have just fallen/jammed.

Do you hear the two second or so whine of the fuel pump when you turn the key to the run
position? If not, you may have an ignition switch failure, fuel pump relay failure, or fuel pump itself
(or the associated wiring).

Have you gone through and rechecked the wiring harness for the fan? Make sure it's tight
and not chafed. There's a 5V reference bus that's shared by the fan and either the throttle position
sensors or the accelerator pedal sensor. If something has damaged that circuit, the PCM
can't read or control the throttle properly. Since you did work on the fan clutch and wiring,
go back and verify that the wiring hadn't gotten damaged or the connector hasn't come loose.
Easy for that to happen if the lock tab didn't seat properly.

Also, it's always possible that the wiring to the throttle body itself has gotten pulled loose
or gotten damaged while you were in there working on other things. Check that, and with that
many miles, it wouldn't hurt to pull the throttle body and check to see if it's clean or not.
A dirty throttle body can allow the butterfly plate to stick badly enough to code. There's
a good How-to here on cleaning the throttle body: http://gmtnation.com/content/how-clean-4-2-i6-throttle-body-120/

Did you disconnect the battery while you were doing all this work? If so, and the throttle
body is dirty, the PCM has gotten reset to "clean/new" parameters, like fresh off the factory floor.
If the throttle response is too far outside what the PCM considers proper parameters, it will generate
a code.

Oh...TPS is integrated with the throttle body, so you won't get a standalone part. If something has damaged the
throttle body sensors, you'll have to replace the entire assembly.

Good Luck!

Chris
 
Chris,

Thanks for the pointers.
I did clean the throttle body 3 weeks ago, I have checked all connections to the throttle body. fan clutch and just about everything under the hood. I did remove the neg terminal to the battery before I started work.

Where is the bus located to check the voltage?

I will check the rest out.

Thanks
 
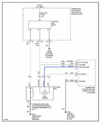
5V reference from the PCM to the three destinations (fan clutch, accel pedal sensors, throttle body sensors) is a gray wire on pin E at the fan clutch connector.

View attachment 21359
 

Attachments

  • 1.jpg
    1.jpg
    48.4 KB · Views: 11
Both codes are related to the TPS. This is what Service Information has to say about it: The commanded throttle position is compared to the actual throttle position based on accelerator pedal position and possibly other limiting factors. Both values should be within a calibrated range of each other. The powertrain control module (PCM) continuously monitors the commanded and actual throttle positions. This diagnostic trouble code (DTC) sets if the values are greater than the calibrated range. So it sounds like you need a new throttle body.
 
Answer069 said:
Both codes are related to the TPS. This is what Service Information has to say about it: The commanded throttle position is compared to the actual throttle position based on accelerator pedal position and possibly other limiting factors. Both values should be within a calibrated range of each other. The powertrain control module (PCM) continuously monitors the commanded and actual throttle positions. This diagnostic trouble code (DTC) sets if the values are greater than the calibrated range. So it sounds like you need a new throttle body.

Thanks for every ones help. Problem is fixed, bad Throttle body. I guess I over thought it.
 
Buffalo1028 said:
Thanks for every ones help. Problem is fixed, bad Throttle body. I guess I over thought it.
Throttle body or TPS sensor ???
 
vipergg said:
Throttle body or TPS sensor ???

Don't matter they are one in the same...

But OP, you did check for ref voltage at the TB right?
 
vipergg said:
Throttle body or TPS sensor ???

Yep...like McGMT said... TPS sensors are integrated with the throttle body, so if they fail, the
whole assembly is bad and has to be replaced.

McGMT...figure that if replacing the throttle body fixed his issue, then at some point the sensors
failed. If the replacement body worked, the reference voltage buss is good.

Buffalo1028, glad you got it fixed!

Cheers-

Chris
 
christo829 said:
Yep...like McGMT said... TPS sensors are integrated with the throttle body, so if they fail, the
whole assembly is bad and has to be replaced.

McGMT...figure that if replacing the throttle body fixed his issue, then at some point the sensors
failed. If the replacement body worked, the reference voltage buss is good.

Buffalo1028, glad you got it fixed!

Cheers-

Chris


LOL ACTUALLY, I wasn't paying attention to the DATE lol My bad... Must be cause its stupid hot out... Yea, thats it, the heat, not me!
 

Forum Statistics

Threads
24,097
Posts
646,756
Members
20,339
Latest member
Sexyscissors

Members Online

No members online now.