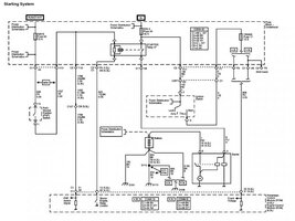
You probably need to be a little more specific about your details of your problem... ie. which fuses numbers have you tested and when (ie. with key on, key off, etc). Further, what vehicle do you actually have. Then, perhaps you might get "lucky" with some help. Basically though, with your key in on, you should get power to your ignition fuse (22 for a 2004).... if that doesn't happen (how are you testing for this???) then you don't need to do much else til that is resolved..... battery comes into your switch on RD/WH wire and leaves on PK towards the "run" power distribution.
Still further, when you key is on, are all your "systems" in your car operating (ie. dash lights, radio, etc)??? Then, it is unlikely that you have an ignition switch problem (although there are two "legs"), more likely you have an issue with your fuse block "tracks".
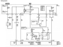
Still further, when you key is on, are all your "systems" in your car operating (ie. dash lights, radio, etc)??? Then, it is unlikely that you have an ignition switch problem (although there are two "legs"), more likely you have an issue with your fuse block "tracks".


