JayArr
Member
My cooling system repair is almost done. After looking at all the parts I think I can deduct what happened on our trip. I'll post this just as a guide of what can happen and what to check.
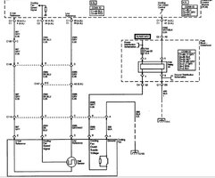
First Problem: The power wires to the fan clutch broke. The black and white ones. The copper broke inside the insulation so it wasn't visible to the naked eye and the fan worked intermittantly. It's important to note that I didn't discover this failure until I had driven 3000 miles. While on vacation on a hot August day it failed and the engine overheated the first time. It then randomly overheated and I think the high pressure from these overheats caused the waterpump front shaft seal to fail.
Here's how to check for this without any tools: grab the wires one at a time at the plug on the wiring harness side and tug. If they are broken inside the insulation will stretch a little then spring back. If you find a wire that stretches a little gently pull it and see if it will stretch out until the insulation breaks. This can be easily done anytime you open the hood.
Once the water pump failed it would slowly leak coolant creating an air pocket in the cooling system and the vehicle would run fine for about two hours then suddenly wham! overheat. I think that this occurred when the coolant level fell below the temperature sender and allowed it to read steam instead of just coolant.
So, now I'm in Alberta with the wife, two dogs, a trailer and an overheating vehicle. We also have reservations all the way across the country each night to get to my uncles for a funeral and then on to her mother so the idea of stopping for a couple of days to get a water pump replaced is out of the question. My solution is to pour stop leak into the rad and stop every two hours, let it cool down and add coolant. This works all the way across the prairies. The stop leak sealed the water pump and by driving with the Tech2 attached we are able to keep an eye on the temp. Every couple of days the stop leak would wear out and the shaft would start leaking again so I'd throw another bottle in. I think I used three bottles in total between BC and Ontario. I stop at a NAPA in Brandon Manitoba and buy a water pump and the tool to get the fan clutch off. I stow it in the back.
After nursing it 3000 miles to Ontario I'm filling it up at our campsite and I notice that the fan seems to run on too freely after the engine shuts off, a little investigation and I discover the failed power wires. I bypass the connector and repair the harness in a very ugly but effective way right there in the campsite with some wire I cut out of an extension core, marrettes, black tape and zip ties. This greatly improves things and now I can run three or four hours before I have to stop and refill.
We finally get to the MIL house and I've got a couple of days so I put it in the garage and scrounge around the shed out back and find ramps and buckets and such (FIL passed away a couple of years ago but luckily all his tools are still there). I carry sockets, wrenches etc with me. Changed the water pump in a couple of hours. I also do a more permanent solder repair of the wiring harness.
Everything seems good to go, we head west a couple of days later and it's running cool and there are no leaks. All is fine until we hit the mountains. It slows down up the grades, which is fine, I don't mind going slow. It also overheats. This causes me to reduce speed even further to keep the temp down and we end up at 10MPH by the summit of each pass. Two brutal days on Hwy 3 see us climb through about 8 summits around 4000-5000 feet and it overheats each time. It's of note that once we hit the summit if cools off within a couple of miles, really nice and fast.
I imagine this overheating is now also overheating the transmission fluid and since we're climbing peaks in first and descending the other side in second or third the transmission is getting a hell of a workout. I get my first TCC code on the mountains.
The vehicle is a CHAMP! it didn't start to slip out of gear until 20 miles from home on flat hwy. It could have failed in the mountains and cost me a fortune to tow home but it held out and pulled the trailer into the driveway under it's own power. The tranny is shot but it had 250K on it anyway.
I bought a good used tranny from the wrecker and put it in to solve for that. I've also installed an external transmission cooler. Then I pulled the whole cooling system apart, flushed it and replaced the rad, pump, thermostat hoses and fan clutch. It's running cool. I pulled the rad apart and found the cause of the overheating. The stop leak clogged it all up. Self inflicted damage, it solved one problem and got me across the country but almost toasted me on the way home.
The moral of the story... check the wires to your fan clutch! LOL
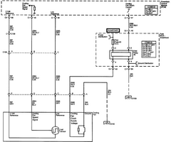
First Problem: The power wires to the fan clutch broke. The black and white ones. The copper broke inside the insulation so it wasn't visible to the naked eye and the fan worked intermittantly. It's important to note that I didn't discover this failure until I had driven 3000 miles. While on vacation on a hot August day it failed and the engine overheated the first time. It then randomly overheated and I think the high pressure from these overheats caused the waterpump front shaft seal to fail.
Here's how to check for this without any tools: grab the wires one at a time at the plug on the wiring harness side and tug. If they are broken inside the insulation will stretch a little then spring back. If you find a wire that stretches a little gently pull it and see if it will stretch out until the insulation breaks. This can be easily done anytime you open the hood.
Once the water pump failed it would slowly leak coolant creating an air pocket in the cooling system and the vehicle would run fine for about two hours then suddenly wham! overheat. I think that this occurred when the coolant level fell below the temperature sender and allowed it to read steam instead of just coolant.
So, now I'm in Alberta with the wife, two dogs, a trailer and an overheating vehicle. We also have reservations all the way across the country each night to get to my uncles for a funeral and then on to her mother so the idea of stopping for a couple of days to get a water pump replaced is out of the question. My solution is to pour stop leak into the rad and stop every two hours, let it cool down and add coolant. This works all the way across the prairies. The stop leak sealed the water pump and by driving with the Tech2 attached we are able to keep an eye on the temp. Every couple of days the stop leak would wear out and the shaft would start leaking again so I'd throw another bottle in. I think I used three bottles in total between BC and Ontario. I stop at a NAPA in Brandon Manitoba and buy a water pump and the tool to get the fan clutch off. I stow it in the back.
After nursing it 3000 miles to Ontario I'm filling it up at our campsite and I notice that the fan seems to run on too freely after the engine shuts off, a little investigation and I discover the failed power wires. I bypass the connector and repair the harness in a very ugly but effective way right there in the campsite with some wire I cut out of an extension core, marrettes, black tape and zip ties. This greatly improves things and now I can run three or four hours before I have to stop and refill.
We finally get to the MIL house and I've got a couple of days so I put it in the garage and scrounge around the shed out back and find ramps and buckets and such (FIL passed away a couple of years ago but luckily all his tools are still there). I carry sockets, wrenches etc with me. Changed the water pump in a couple of hours. I also do a more permanent solder repair of the wiring harness.
Everything seems good to go, we head west a couple of days later and it's running cool and there are no leaks. All is fine until we hit the mountains. It slows down up the grades, which is fine, I don't mind going slow. It also overheats. This causes me to reduce speed even further to keep the temp down and we end up at 10MPH by the summit of each pass. Two brutal days on Hwy 3 see us climb through about 8 summits around 4000-5000 feet and it overheats each time. It's of note that once we hit the summit if cools off within a couple of miles, really nice and fast.
I imagine this overheating is now also overheating the transmission fluid and since we're climbing peaks in first and descending the other side in second or third the transmission is getting a hell of a workout. I get my first TCC code on the mountains.
The vehicle is a CHAMP! it didn't start to slip out of gear until 20 miles from home on flat hwy. It could have failed in the mountains and cost me a fortune to tow home but it held out and pulled the trailer into the driveway under it's own power. The tranny is shot but it had 250K on it anyway.
I bought a good used tranny from the wrecker and put it in to solve for that. I've also installed an external transmission cooler. Then I pulled the whole cooling system apart, flushed it and replaced the rad, pump, thermostat hoses and fan clutch. It's running cool. I pulled the rad apart and found the cause of the overheating. The stop leak clogged it all up. Self inflicted damage, it solved one problem and got me across the country but almost toasted me on the way home.
The moral of the story... check the wires to your fan clutch! LOL






















