front seat side plastic's?

c bausch

Member
Joined
Jan 13, 2012
Posts
183
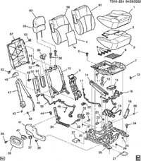
Hey guys , I have been looking on gmpartsdirect.com for the front driver and passanger side plastic covers for the side seat switches, the stupid clips broke anyone know the name for them and what's the part numbers?
 
The descriptions sure do make it hard to find. Here's what I did. Get a copy of the trailvoy_parts.pdf file from the OS. First click on Resources->GM Part Numbers, then the "Click here for an extensive parts list..." button.

View attachment 20203

Or snag the file http://www.roadie.org/GMT360_parts.pdf from my web site. Everybody MUST have a copy of this.

I bought that off Ebay years ago for a few bucks and scanned it in as a gift to the community. On page 1013, you will find the seats. One part number for the cover you want is 88981956, and that document (from a Mitchell manual used by auto body shops) calls it a "Cover, Outer Adjuster". Take the part number, and plug it into the gmpartsshop.com site and they list it, but with the useless name "Cover" and no hint as to where to drill down in the normal hierarchy to locate it. The nalleygmc.com data base has a lot more pictures, and I found it there. You should poke a bit more at nalleygmc. They call it "COVER. Seat Adjuster/Recliner"

View attachment 20201
 

Attachments

  • 020429TS16-224.jpg
    020429TS16-224.jpg
    94.2 KB · Views: 6
  • 1.jpg
    1.jpg
    62.7 KB · Views: 8

Forum Statistics

Threads
24,074
Posts
646,502
Members
20,274
Latest member
iamsaadee

Members Online