Dead ignition

Mikie

Member
Joined
Dec 5, 2011
Posts
15
Thanks in advance for your help.

This week I took a trip and had a weird starting issue.
  • TB starts fine in the morning
  • After work I try and start the TB and no go.
  • Key fob does not work, ignition does nothing.
  • Thinking battery I get a jumo, and no go.
  • Guy helping me jumps the starter with a screwdriver and it turns over
  • He suggests pulling the negative terminal, ten minutes later reconnect and it starts.
  • Starts consistantly over the next hour. Park and leave over night.

Guy says it is the security feature going goofy. Same symptoms if left for more than 4 hours over the next 3 days.

I did notice that the front fuse 13 was blown and replaced.

Put a code scanner on it and nothing shows up. Inconvenient yes, embarrassing to the extreme.

Any ideas?
 
Sounds like an ignition switch may be called for. When they go, all sorts of electrical things go goofy.
 
Mikie said:
Key fob does not work, ignition does nothing.

Nothing worked? In that case I would start by checking the condition of the battery terminals.
 
Battery terminals clean. One thing I forgot to mention all interior lights were not working along with the radio. Dash, odometer, and climate control worked.
Head lights never dimmed when key was turned.

I left it parked overnight last night and it started perfectly. The only change was replacement of the lighter fuse #13.

I know this also controls the OBDC port, does it have any connection to the built in security around the ignition?
 
Mikie said:
Battery terminals clean. One thing I forgot to mention all interior lights were not working along with the radio. Dash, odometer, and climate control worked.
Head lights never dimmed when key was turned.

I left it parked overnight last night and it started perfectly. The only change was replacement of the lighter fuse #13.

I know this also controls the OBDC port, does it have any connection to the built in security around the ignition?

That sounds like the mega-fuse blew.
 
The only fuse that was blown was the cigar lighter.

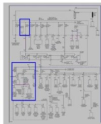
After looking at the wiring diagrams and tracing a few things I am beginning to believe that the theft deterrent control module was tripped. Does anybody know exactly what it does when tripped? How does it communicate to the PCM & BCM? It looks like it is sending an actual waveform signal and not just a B+ or ground in the diagrams.

If this happens again, it looks like I can pull front fuse 34 (B+ to layer 1 of the ignition switch) to reset the module without pulling the battery. If that does the trick, next time it happens I will pull fuse #47 in the rear fuse box. If that doesn't work then try fuse #50.
 

Attachments

  • TDM Path.jpg
    TDM Path.jpg
    12.9 KB · Views: 4

Forum Statistics

Threads
24,130
Posts
647,151
Members
20,459
Latest member
bherbrand

Members Online