Migrated from the other site...thanks for the heads up.
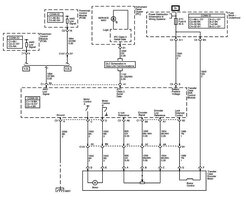
First snow here, so last time I used 4WD was in March. Last week, switched into AWD and heard the front acutator motor shift. All seemed normal. Tried to switch to 4WD-HI and the light just blinked and never shifted. Tried to shift back to 2WD and lights blinked, but never shifted and stayed in AWD. I did not hear the front actuator try to switch back to disconnect.
Everytime I try to shift out of AWD, the light blinks to the new selection, but after about 10 seconds, the light stays solid on in AWD. If I try to swithch into 4WD after a couple of times, it will blow the number 8 fuse and the Service 4WD light comes on and the 4 indicator lights do not light. Put in a new fuse and the Service 4WD light goes out and the indicator light shows still stuck in AWD.
The AWD light is on, but does not work. Only the back wheel spin. Also cannot hear the front wheel actuator run any longer...
Kind of like the actuator motor worked the first time, then never again.
Looks for any suggustions as to next step to take.
2003 Envoy. 97000 miles. 4.2 liter
Thanks for reading.
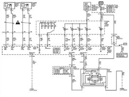
First snow here, so last time I used 4WD was in March. Last week, switched into AWD and heard the front acutator motor shift. All seemed normal. Tried to switch to 4WD-HI and the light just blinked and never shifted. Tried to shift back to 2WD and lights blinked, but never shifted and stayed in AWD. I did not hear the front actuator try to switch back to disconnect.
Everytime I try to shift out of AWD, the light blinks to the new selection, but after about 10 seconds, the light stays solid on in AWD. If I try to swithch into 4WD after a couple of times, it will blow the number 8 fuse and the Service 4WD light comes on and the 4 indicator lights do not light. Put in a new fuse and the Service 4WD light goes out and the indicator light shows still stuck in AWD.
The AWD light is on, but does not work. Only the back wheel spin. Also cannot hear the front wheel actuator run any longer...
Kind of like the actuator motor worked the first time, then never again.
Looks for any suggustions as to next step to take.
2003 Envoy. 97000 miles. 4.2 liter
Thanks for reading.
) that the fluid has to be changed religiously every 50K miles. Are you current on fluid changes? Your differentials are also coming due at 100K, but the transfer case is a surprisingly short interval.
