2006 TB xfer case noise

h-m

Member
Joined
Mar 13, 2013
Posts
27
hello all, i was at the trailvoy site and found you guys, so maybe you guys can help out. my wifes 2006 TB EXT LS is giving her fits. constant noise from xfer case varies with road speed. from underneath, it is coming from front drive shaft, sounds like metal on metal, but not exceptionally loud, wiggling the front driveshaft at the xfer case doesn't seem to be loose, like a bad bearing or something, it is the NVG226 NP8 xfer case 5-postion switch. can someone tell me, is there a sleeve bearing in there on the front output shaft or is there any way that a bad seal would make such a noise? i pulled back driveshaft out, thinking it was in the rear tailshaft housing, but that one seems A1, so then started concentrationg on that front shaft. i am having a dickens of a time finding parts for this xfer case, or teardown instructions. i have been inside some ford BW xfer cases and i was able to get internals and instructions pretty easy, doesn't seem to be so with this NVG unit. if the xfer case is in 2Hi nothing inside should spin up towards that front output shaft correct? my boy was listening for me last nite and he said he heard it even in 2hi under there. can i tear the case open or is there something simple that is a first possible part to fail? seal on that front output shaft? any thoughts or help please guys!
thanks very much
Micheal
 
Hmm...how do you know its the front drive shaft or transfer case?? How's the fluid level??
 
fluid is good, just changed, we just picked up the TB and i didn't realize it had a 50K mile life on the xfer case fluid, i didn't read the manuel close enough to catch that, i am a ford man and our BW xfer cases need very little attention, so i wasn't planning on changing till this summer when it warmed up, but i did the other nite when i realized it was long past due. TB has 110,000 on it. then i was laying on my back under there with my boy rotating wheels and it seems to be at the front shaft output of the xfer case. i am fixing to pull the shaft tonight and see if i can see anything, if not i am going to pull the whole xfer case and get it on a bench and inspect. i would like to know if parts are avail so i can split it or not. it doesn't really appear that they are.
thanks very much, and let me know what i should be looking for if the fluid change miss was a big deal. my wife has been driving in Auto also, which will change after i get it back up there.

thanks very much.
micheal
 
Does it actually go into 4wd??(4 hi) Meaning can u hear 3 seperate distinct noises? Its not a good idea running the A4wd...junk design. It works but engaging from 2wd to 4wd in a split second is not good for the transfer case.
 
You can split it and the parts are available. I don't know about aftermarket bearings, but I have installed replacement GM bearings. Case halves are sealed with the gray RTV. There is a clutch pack in side to allow for the auto operation. Once the halves are split you can put it back together with just some RTV, if all looks good.
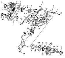
The case
View attachment 26804
The internals
View attachment 26805
Shaft 11 breakdown
View attachment 26806
 

Attachments

  • 767598.jpg
    767598.jpg
    53.7 KB · Views: 55
  • 767599.jpg
    767599.jpg
    45.5 KB · Views: 54
  • 770245.jpg
    770245.jpg
    45.4 KB · Views: 54
perfect! thanks very much all of you guys for the replys. so parts are avail just have to go to GM dealer, then. ok thats not so bad. tonight now i found out more issues, we still seem to have all modes of 4 wheel drive, no malfunction indicatores and both the xfer case motor and the servo on the front axle seem to operate, the front axle doesnt seem to be on quite all the time, it clicks once in a while and then after the tires move for a bit, it finally locks up, - bad servo motor maybe???? - i changed the fluid in the front diff tonight and honey was running the vehicle while i was down by the xfer case listening and no noise! i have it up on jack stands on all 4 corners and she was able to run it between all modes with everthing apparently operating like it should, and no scraping noise from the case!!!! i think i will still pull the front shaft and see what is behind that dust shield, maybe just a bad seal??? what do you guys think? metal on the seal be able to somehow rub or scrap on the front shaft dust shield? not sure what to do other than pull it and open it and inspect the bearings and such? do you think this is the correct way to go?
thanks much all.

micheal
 
h-m said:
...the front axle doesnt seem to be on quite all the time, it clicks once in a while and then after the tires move for a bit, it finally locks up, - bad servo motor maybe???? ...
If the mode switch doesn't blink, then you can be sure the front axle actuator is working fine, because it has a position feedback sensor to report back to the TCCM if it succeeds in moving the proper amount.

Much more likely to be wear on the actuator fork or splined collar inside the disconnect assembly. Or congealed grease. GM claims it's a lifetime sealed assembly. Many of us offroaders remove ours every 50K miles to repack it with a good synthetic grease and to inspect the seals and bearings.

Offroadtb.com Front Axle 4WD Disconnect
 
thank you everyone. the diagrams were perfect! i will get this xfer case figured out on here yet. i am going to pull the actuator on the front diff and rebuild it, i am just hopping to be able to wait just a few weeks yet, till it warms up slightly, spending too much time moving snow right now, to concentrate on vehicles. soon though. thank you very much everyone. i really appreciate it.
micheal
 
just got done with rear diff fluid tonight and pulling front driveshaft. couldn't see any bad seals or anything. ran quiet tonight again. had it on jackstands and my boy in it running it through the paces while i listened with stethescope. not much for noise and all parts seemed to be working ok. how much play is allowed in the output shaft for the front driveshaft in the xfer case? this shaft has slight radial and axial play, not sure if this is normal or if a bad bearing inside could be the source of the noise? what do you guys think? going to set it on the ground and drive it tomorrow and see how it sounds. just wonder about that shaft and bearings? what do you think?

thanks much.
micheal
 
well now, just got done messing around again. xfer case seems fine, but....... front axle is sure noisy. I took the front drive shaft out and drove it and lo and behold, noise was just as bad with xfer case in 2 wh drive. went to 4hi on xfer case and noise still there, so ran into snow bank so i could stop forward movement and when she gunned it - no noise in 4hi, but no forward movement, so leaning towards front axle causing me an issue.
thanks all. tear into that next.
micheal
 

Forum Statistics

Threads
24,095
Posts
646,743
Members
20,331
Latest member
wombraider6six6

Members Online