SOLVED! 03 Escalade needs help

Upsman

Member
Joined
Jul 16, 2022
Posts
38
Location
Ottawa
Good evening from Ottawa hot hot hot... Ok have a sorry 03 Escalade with a no start no crank problem. Now if I try 10 times, 1 time it might start and run for 5 min, no probs, no codes, however most times no crank no start. Now it is very rustyunderneath and coming home months ago from Ottawa I hit some potholes and the truck just died, all electrical gone. No crank. Had it towed. Long story, replaced some grounds, battery,alternator. Never any codes but most times my code reader will not comm, so being an idiot I figured after alot of chasing around i will get an ECU have it programmed to my vin and perhaps problem solved well not a chance. I went thru the key/security and it did start once then not again. Put the old ECU backin and same result. Now I have cluster issues as well and the gas guage says zero and the light is on but I did have gas before so the light was off. Yes I hear the fuel pump. Yes removed the starter relay and it will crank and but it seems that i do not have the proper canbus comms going on. So I wonder how to approach this, I do not have schematics but I do have a meter and a scopemeter but not a scanner only a code reader. So I know the rear of the truck is very rusty, Air ride long failed, but the pump does run so I was thinking do I have a grounding issue at the rear? I have no money to throw at this. I know the cluster has some issues, can it hang the Canbus? Appreciate any feedback. Located between Limoges/Vars just east of Ottawa
 
You putting all those location details for me? :biggrin:

Did you check your ignition switch outputs? Sounds like a flaky switch to me. Check my signature for the link to the full size manuals which should have the schematics.
 
Thank you for the advice, I will try at some point today to try and look at. I am concerned by the cluster, it seems to have issues, it seems also to get hot on the rear that normal I ssume some heatsink in there, can it hang the Canbus? I have downloaded the zip files on my wifes computer but have not had a chance to look at them. Of concern are the grounds, the switch, the gen ign ckt. I will try to look at them later. I cannot stay out too long in the heat (heart probs) so may not get a lot done today
 
The Suspect Component Involved here MAY turn out to be...

"The Steering Wheel Position Sensor"

Begin by watching THIS Mechanic's Observations at around 2:00 into THIS Video for his Explanation and Suggestions. Make certain that IF you decide to investigate his approach to solving this problem... that the Escalade Battery has a FULL CHARGE beforehand. Good Luck...


And...watch what THIS Clever Dude discovers involving SEVERE RUST and Very Poor Grounds on his 2007 Cadillac Escalade...

WATCH THE PROCESSES HE USES HERE...ALL THE WAY THROUGH...:

2007 Cadillac Escalade no start no crank SOLVED - Part 1/2


2007 Cadillac Escalade no start no crank SOLVED - Part 2/2
 
Last edited:
I have a lot of problems, main no crank no start, seems to leave the driving lamps on and does nothing then I have to remove ECU fuse or battery cable to turn off the lights,put the cluster back in but no response from it, tried to check ign contacts seem to be good but I will get a new switch and replace it at some point. My cluster is dead, code reader does not have comms with ign on so have some gremlins, layed over with a non functioning remote start I want to remove. Am I able to probe the OBD port with a scope to see if Canbus is running and if so would you happen to know where I can see pinouts? 2003 Base Escalade
 
Where Mooseman would you suggest to obtain a new ignition switch? If we can eliminate that then divide and conquer. No display from my cluster has me concerned.....
 
Where Mooseman would you suggest to obtain a new ignition switch? If we can eliminate that then divide and conquer. No display from my cluster has me concerned.....
I have probed the contacts for the ign switch and they are working ok, but no display or lights from the cluster and still no crank , driving lighs come on and stay on even if key off, have to lift 15A ECU fuse or battery cable. So cluster prob, nostart lockup and I guess Canbus is not working. Theheat has done me in. I canot do anymore today, how do i figure out the cluster prob?
 
Aftermarket remote start can cause problems of no start and crank since they must bypass vehicle security. Something could have failed in that system.
 
I am so frustrated, I seem to be moving backwards. Without a cluster it is very hard to figure where i am. One thing consistent, turn it on, try to crank and the Daytime running lights stay on no matter what, got to pull ECU fuse or battery to get them off, obviously I do not have comms with the modules. Too hot and too frustrating for today. Appreciate all your comments to give ideas. I am going to cut off the spare tire, winch is froze and rear end very rusty so I will do that and check more.
 
Aftermarket remote start can cause problems of no start and crank since they must bypass vehicle security. Something could have failed in that system.
Agreed but I have no knowledge of who the mfg is, so for the moment I pulled the power plug for it, no 12 v anymore on it. Agreed it has a bypass I believe for the stock antitheft.
 
Just in case the DRL Relay is FUBAR…. Look at this 2003 Cadillac Escalade Fuse Panel Diagram and PULL IT to see if all of the other Non-Start Issues Subside:

2003CADILLACESCALADEMAINFUSEPANEL.jpg

...Then …. Watch Will Robinson’s GM-GMC TRUCK DRL INOP Diagnostic Approach Videos to give you some additional ideas on where to investigate further:

Part 1:

Part 2:

Here are the Three Fuse Panel Layouts for the 2003 Cadillac Escalade:

https://www.autogenius.info/cadillac-escalade-2003-2004-fuse-box-diagram/

Also...Try not to get hung up on the problem of the IPC (Instrument Panel Cluster) being inoperative. If there is another Module that is actually causing the problem, it can bring down the entire Network...including affecting OTHER Modules.

The GM CAN Data-Bus uses two 120 Ohm Termination Resistors in the system to prevent feedback signal oscillations. So if you set your DMM to Read Ohms... and you Probe the Under-Dash Data Link Connector (DLC) at the (6) and (14) Positions ....you should read close to 60 Ohms if the system integrity is OK. This Instructional should prove helpful:


 
Last edited:
Quite possible that a module is misbehaving and pulling down the CANBUS. Are you getting anything from other modules like the windows, HVAC or radio? Maybe find the main bus bar, pull the comb out and jumper the DLC and PCM only to see if you get some comms then.
 
Windows/radio/heater all working, chime for key in works, but does not chime after try to crank and DRL stay on, pull the ECU fuse and chime returns. Again appreciate your time. After I get off work next week I will poke some more. Truck has been down now for 6 months and the wife would like it back...
 
A Vehicle like the 2003 Cadillac Escalade that sits for ANY Length of time will become a Magnet for Dangerous (HANTA Virus Carriers) Rodent Infestations that will Homestead the SUV... Under the Hood and FAVOR living with the protection offered above them by Nesting Under The Fuse Box!

Inexplicable Electrical Problems can often follow on from their incessant need to gnaw down their "Non-Stop Incisors" growth by chewing on any adjacent "Tasty" Plastic Coated Copper Wiring Bundles, Plastic Fascia and upon Plastic Electrical Connectors.

But If you go looking for this kind of trouble... Please ...Use an N-95 Mask and 11MIL Nitrile Gloves. The HANTA Virus that causes Hemorrhagic Fever (carried by the Common North American Deer Mouse) in particular, Kills 40% of its Victims and Survivors may take years to recover from these effects. The symptoms can initially mimic those of Covid-19.

This infection can occur after inhaling or orally transferring the Virus Contaminated Airborne Dust from Rat & Mouse Feces, Dried Urine and Desiccated Nesting Materials with Fur, Leaves, and other Under Hood Insulation, etc. So Keep Your Wits about You and BE VERY CAREFUL. THIS is the Signature Video to View whenever time permits.


While most of us are always anxious to see things resolved and [Solved!] with a Rapid Conclusion...We also appreciate knowing that Original Thread Posters.need to work these problems ...at their own pace. :>)

 
Ok some news and not good!
Now in a former life I was a high vooltsge electronics technician, spealizing in UPS systems of capacity to 1.5mw. That being said I understand a multimeter and connectors,.....BUT

So in the rain I went to ohm out the OBD connector, and believe me , no joke, there is no connector in pin 6, nono, nada, oh crap, but I do see some electrical tape running to a bypass module put in with the remote start I assume to get around the builtin security, but where is pin 6??????Can you suggest a colour of wire to track down for an 03 Escalade??? I kid you not, where is it????
 
Well… I think that we started out by relying on your own knowledge of your SUV and your Questions about "The CAN Bus" implied their was one present. However... according to THIS Resource…

http://www.auterraweb.com/aboutcan.html

...The CAN Bus began appearing on SOME GM Models back in 2003 and the New Hi & Low Dual Bus Lines were expected to be in all subsequent GM Makes & Models by circa 2008.But when I looked over this List ...up and down, the 2003 Cadillac Escalade Does NOT appear on there.

Which simplifies things…
because the Alternative GM Data Network we are pretty familiar with here should be the Class 2, Single Wire Network that supplies a Binary Data Link Communication Line on Pin #2 and Grounds the System on Pins #4 and #5 for the Body and PCM, respectively.

The DLC also provides B+ Power at 12 Volts DC entering the Under Dash DLC at Pin #16 at around 12.5+ Volts DC or Better during Tech 2 PCM Calibration Reads and SPS Writes. So that (16) Pin DLC Connection Point definitely is Your Gateway to conduct Class 2 OBD2 Diagnostics.

The Class 2 Network uses a Single Wire Topology and cycles communications to and from the PCM, the BCM and all other Modules on the Network using Pulse Width Modulation (PWM) courtesy instructions and Module interaction directed by the PCM.

This design confines the Pulse Width Range of 0 to 7 Volts DC via Hall Effect Square Waves as On & Off Signalling. The Real Weakness in its design though, has always been that ANY FUBAR’d Module can accidentally BRING DOWN THE ENTIRE NETWORK.

As previously suggested by @Mooseman… THE BEST Diagnostic approach and physical method to use here is to Locate the Common Network Splice Comb(s), either in the Front Under-Dash and probably also under the rear Passenger Seat under a Carpet Flap in the rear of the vehicle.

Then after REMOVING THEIR STEEL TEETH INSERTS that links them all into to the 'Single Wire' connection to the DLC #2 Pin... You can take the Entire Network Off Line. It follows that you can also gradually bring each of the Modules back onto the Network, One At A Time and you'll LIKELY Discover which one among them is The Culprit… BY FOLLOWING EVERYTHING WILL ROBINSON TELLS YOU TO DO IN THIS VIDEO:


It is really too bad that more people don’t get their hands upon either the Hantek (8) Channel Model# 1008C or the slightly more expensive PICO-Scope (2) Channel Model #2204A Oscilloscope.

I have a been ‘feeding and nurturing’ and Thread that is Dedicated to “How to Use Inexpensive Oscilloscopes for Automotive Diagnostics” and there is plenty of information grounded in the Good, Successful and Well Described Experiences of MUCH Better Mechanics than ME.

The Link below will provide plenty of Proper Resources and Suggestions on How This ‘Oscilloscope Stuff’ WORKS. Please drop in and peruse what is there... You Won’t Regret It:


https://gmtnation.com/forums/threads/how-to-use-pico-2204a-hantek-1008c-oscilloscopes.20423/

Having a High Quality Scan Tool line a “GYMKO” (General Motors Knock Off) Tech 2 or a Quality MDI or VXDIAG NANO Decent Bi-Directional Scan Tool would be a serious boon to your ability to investigate and activate certain Modules and Test their functionality using the Amazing Built-In capabilities of these Scan Tool Devices.

In addition to relying upon the Wiring Schematics provided by a GM OEM Shop Manual, I also like having a DLC Break-out Box as well, since it lets you see the lighted Network activity and connect up your DMM or the Oscilloscope of Choice to do further Diagnostics in a Painless manner.

Shop over on eBay and figure out if you want to invest in the Full Four Volume Printed Set of Shop Manuals ...or settle for the inexpensive Digital Version on either a CD or a DVD. BOTH varieties are available to purchase via THIS Link:

Remember this... the GM Shop Manuals are "The Bibles" for your Cadillac Escalade and can be trusted as the BEST Go To Resource to use in ALL situations. When you can literally "Turn The pages"... YOU become THE EXPERT after that! And we can pitch in and help you out as well!

 
Last edited:
Well that puts me as a fool, I had read somewhere that GM had used the Canbus on this platform and we saw what assume meant..... So my Millenium code reader does seem to read data when the truck ran, again I saw a Canbus displayed and thought it was reading that...stupid me,,, so I will look at the video. I am now well over 60 so I will say that I was a better technician than I am a mechanic. My toy is an 83 Dodge Rampage with a 2.2 turbo intercooled with basic computer, I managed to stuff in the new turbo 87 rewired my own harness and dash and never blew a fuse, now I have this GM monster that is rusting away and is my wife's meow so I will see hoow things go. I invested in the manuals for the Rampage but investing for this truck I do not know if I want to go down that raod but i understand all too well how hard it is to repair when you do not know what you are looking at. Ok so one wire, man o man....
 
So a long time ago in a land far far away at Canada Post at 2am I made an assumption because all the techs said the electrical bus was dead and we could work on the equipment and I came back 10 min later, saw everyone working and without a thought jumped in and got 347 vac to gnd. After that knoocked me starry, we discovered the 600 amp switch that fed my machine was off and padlocked, but one blade broke off in the switch and that phase on the 600vac bus was live.....last time i jumped on a UPS without my meter, and here i assumed again. Ok 1 wire, guess we will see where this leads. Thankyou kindly for taking the time to research this and point me straight....Larry
 
  • Like
Reactions: mrrsm
My windows,radio,heater,fuel pump seem to be running, does that give any hints? Dash dead, no codes,no comms, should these not be dead too? I understand they may be on the BCM...
 
No necessarily. I was looking to see if a module was pulling the canbus down. May need a more powerful scanner to read all of them.

I'd help out with my tech 2 however I am currently out of town camping on beautiful Samuel de Champlain provincial park.
 
If the 2003 Cadillac Escalade sports the Class 2 Network and you adhere to Will's Procedures.,. even without having anything "Fancy" in the way of the preferred Tools... just Probing those Escalade Splice Packs after popping the Combs loose ...and Testing to the Pin #2 in the DLC ... One Module at a Time will be the way to Test and Know for Certain.

The closest thing I've contributed here at GMT Nation in regards to the Cadillac Escalade was a Cool Collector's Video about a Gorgeous 2005 One in Iridescent Blue on a over on our GMT800 Section for Full Size Trucks where MINE is a 2000 Indigo Blue Silverado. with a 5.3L LM7 and the 4L60E A4 Transmission.

So for the most part... when it comes to the larger vehicles, the ones we usually deal with are not in the Luxury Escalade Class. Certain component locations and of course perhaps some Sexy & Exotic Additional Modules may be on your List that we of "The Great Unwashed" don't have access to. :>)

But with all of that said... GM never likes to waste any of their Engineering Dollars...so the Class 2 Network commonality is probably still present in your 2003. You WILL need to do a just a bit more research... and perhaps get your hands on a Chilton's from AutoZone to get things started.

Your personal history with Mechanics proves that you've got the Chops to dope out this situation. Right now... Taking the Network down and starting it back up from scratch is your best bet. No Guessing On My Part Is Allowed... :>)
 
No necessarily. I was looking to see if a module was pulling the canbus down. May need a more powerful scanner to read all of them.

I'd help out with my tech 2 however I am currently out of town camping on beautiful Samuel de Champlain provincial park.
Appreciate the offer, let me do some testing and see what happens, if I need some fresh eyes and ideas I will message you and of course you will be entertained!
 
  • Like
Reactions: Mooseman
In support of what you are about to delve into, this "Old Dude" Technical Trainer gives a very nice rundown on the Class 2 Network Topology and describes what is going on inside of every Class 2 DLC in very nice, graphical detail:


And in THIS Video... "Crazy Ivan" (The Man From PHAD) at Pine Hollow Auto Diagnostics uses a High End Scan Tool, A Windows 10 Tablet with the FREE PICO-Scope Version 6 or 7 Auto Diagnostics Oscilloscope Software Suite, A Low Amp Clamp & Digital Multi-Meter AND Last But NOT Least... A (16) Pin Break-Out Box.

Ivan gets into Diagnosing the CAN High Issues on an Equinox after measuring the excessive resistance present on Pins 6 & 14 of the Break-Out Box using his DMM and instead of finding the expected reading of only around 60 Ohms... His DMM registers over 120 Ohms.

Watch and Learn from Ivan's Diagnostic Approach here and if your Escalade were to sport the CAN Network... THIS is how the Diagnostic Work gets Done:

Part 1:

Part 2:
 
Last edited:
Prelimin inspect, scopemeter to pin 2 on OBD, gnd and observed voltage in pulse tried to reach 5v dc but settled down to 3.1 vdc, pulse about 6msec repeating. So I will wait for diag and see what goes on. Just looking under the dash I did not see any splice packs, but these eyes are old and cannot use my glasses to see. I did see something near the steering col but I could not easily se it or get to it, it just looked like a connector but will look later. So my bus appears to be hung low, so not a short but somebody is bad. I unclipped the cluster and it made no diff. Windows heater and radio all appear to work.
 
That is encouraging...

Unless you have an Expensive Graphing Meter like a Fluke... Getting to see the subtle Square wave Changes at the "Voltage Over Time" scales of Milli-seconds will not be possible. So ultimately, an Oscilloscope of some type would be necessary to view such 'finely detailed' activity if you decide to try that kind of gear out. I would suggest a 10 Volt Vertical Scale and a Time Base of 500 Milli-Seconds.

When your GM Cadillac Escalade CD Shop Manual arrives.... look up the Class 2 Network Wiring Diagrams that show the JXXXX naming conventions for those Splice Packs... and on the consecutive Pages or even way down at the bottom of the Schematic(s) ...you should see the Splice Pack Naming Conventions listed there INCLUDING WHERE TO LOCATE THEM INSIDE OF THE VEHICLE.

This Dude is using a Hantek 2 Channel Hand Held Oscilloscope ( I have the 2D82AUTO Version of this Scope) to Diagnose a Class 2 Network on a Caprice. Follow this Guy's Technique for Class 2 Diagnostics vs. the Splice Pack:




THIS is Keith De Fazio... from New Line Auto. HE is the "Capo-Di-Tutti-Capi" of Automotive Diagnosticians... especially for using the Tech 2 and other High End Scanners along with Oscilloscopes on VERY HARD TO DIAGNOSE PROBLEMS. You should visit him over at his "New Level Auto" YouTube Channel... He is THE BEST EVER-GENIUS LEVEL DUDE:

Here he is working on a Chevrolet Uplander in the Dark of Night well after normal business hours dealing with a NO COMMUNICATIONS Problem at the Under-Dash ...courtesy a FUBAR'd, "Re-Wired" Splice Pack. Watch him closely... :>)

 
Last edited:
Good Morning, I am reluctant to share but too much going on for my little mind.

So I am dealing with a death in the family, we both have Covid and heat has made things tough. So I ordered the CD schem, found the data splice packs, added some grounds , messed with wires and I had this.
One time yest the cluster came on showed security, so i went the the procedure . Then I wen to the pin2, saw 7 volt traffic, seems ok, but try to start, no crank no start, DRL on CPU locked. Ok removed battery etc and then i noticed i have lost the buzzer foor key in door open, and when I removed the battery and recoonect the ECU use to cycle some relays now I do not hear this. So being an idiot I went out this am feeling like crap and again no ecu cycling when connecting the battery. Observed 7 volt traffic, tried to start, traffic did not hang but no crank no start. Ok recycle the battery again, no key in buzzer and whn i turn the key all 7 volt traffic stopped and went high.

This is such a frustrating time, I know most would give up and scrap but I am not there yet.

While I have a new ECU from Flagship one, if the cluster does not respond then how do i see security light?????? I think for today I stop before I do more harm, strange lost key in buzzer, never have a cluster and no fuel pressure was delivered. Yes I likely will need help with this. i was impatient to see what i could find .
 
I am assuming once I get the diag that I need to connect the ECM and BCM together to get the 7vdc, if all is well will it start with just these modules if they are good? I have unhooked the battery many times, i am assuming that in all my testing the ECU or BCM has gone bad, how can I tell which one is the prob if they have to be hooked together? As I said I have a new reman ECU from Flagship One but I am loathe to try and put it in when i am having so many issues. So now I see no traffic just OBD 2 high when try to crank. So what did I blow up?
 
I think this is just too much for just trying to make it work without some serious diagnostic tool help. I could swing by and see if I can make any sense of this with my Tech 2, Once your other life issues are resolved.

Also, make sure the battery is kept fully charged and in good shape. Funky stuff happens with a weak battery.
 
  • Like
Reactions: mrrsm and NJTB
I think this is just too much for just trying to make it work without some serious diagnostic tool help. I could swing by and see if I can make any sense of this with my Tech 2, Once your other life issues are resolved.

Also, make sure the battery is kept fully charged and in good shape. Funky stuff happens with a weak battery.
Thank You, I have way too much going now to figure this out. Do you want my email or you can get it from the forum? I understand on the battery, when working I connected a 45 amp RV charger on the battery for my tests, but I fear I have only made things worse. If it is a BCM I understand you need to program it thru your Tech 2 ? I swear this truck is way too complicated., there is no need for a lot of this stuff.
 
Ha, you think your old truck is too complicated? Try my 2021 3.0L diesel! Practically need a degree in nuclear physics to understand it all.

I'll PM you.
 
When Time and Circumstances Allow....

THIS is an interesting [Solved!] No Comms Thread that may prove useful to regale here as well:

 
I have had to stop now but symptoms I observed,
No chime for key in ign door open
Radio turns on but no sound from speakers, radio/amp fuses ok tunes ok
No cycling of the ECU when battery is connected
Keyless entry does not work
Interior power locks do not work unless key is on
No cluster
Unable to comm with code reader
Most times I observe traffic on OBD but no code reader comms

Since I do not yet have drawings, I have to wait
 
If it were me... I would PULL THE RADIO OUT OF THE DASH...UNHOOK ALL CONNECTORS & ANTENNA... AND SHAKE THE LIVING HELL OUT OF IT!!!

...While Listening for anything Metallic Bouncing Around Loose inside of it that could CAUSE A SHORT TO GROUND.
 
I am resisting the urge on this thing... I am hoping that fixing this rust bucket that it would be cheaper than buying a used SUV, I am wondering in the many efforts to test, connect/disconnect, is it possible that the BCM is screwed up? The radio is not locked but does not play, no key chime etc. I do not know enough about these units obviosly. Well too many things now need my attention so it will sit for a while until I can sort out what life is throwing at me.
 
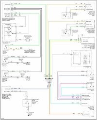
If you look at the "Democracy" that is the underlying principle of Single Wire Serial Communications depicted in this Class 2 Network Diagram below... You can see that the Radio is displayed Way down in the Far Right hand Corner... while the BCM occupies the space Way up in the Upper Left hand Corner of the same Diagram. But... All of the "Serial Data Lines" from each Module eventually 'Meets Up in The Middle':

COMPUTERDATALINESYSTEM.jpeg

The GM Class 2 "Star Topology" Communication Protocol means that ANY Module can communicate on this Network as soon as there is a Minimal Clock Cycle Break in the Pulsed Signalling on that One Wire and after the Priority Order for "chatting" has been met.

So ANY one of them can then be in command and Take the Network HIGH to around "7" Volts DC from the quiescent state of "0" Volts DC to be able to Transmit and Receive Data.

It follows on that if any ONE Module Shorts to Ground OR even if it Shorts to B+ Positive Voltage, well above "7" Volts DC during any 'Bad Moments', it alone can take the ENTIRE Network Down; whether HIGH or Low. In this regard, the GM Class 2 Network is an 'Equal Opportunity Offender' in such instances.

However, during ordinary Operations there is NO ONE Over-Arching "Module Dictator" telling which of the Modules gets to 'speak' over others at any given time. "Un-Corking" the Class 2 Network Splice Pack Combs SEVERS this influence in between ALL Modules on the Network, until the "Single Wire" interface is restored. If the BCM is one of those Removed Modules... it can have NO Further Influence on the others.

Naturally, some Modules MUST take precedence over others, depending upon their Absolute Necessity for the Safe Operation of the Vehicle. The PCM and the BCM have a lot to say about that and which Modules will command under these situations.

A Perfect Example occurs whenever the Engine Operations go instantly into "Limp Mode" if there is even the slightest disagreement between the ACC Pedal Module and the Throttle Body Module not reconciling their Physical Positions with the Throttle Plate Position Signals in between each other and the PCM.

As it concerns the Anti-Theft programming between the Radio and the BCM... Normally, it runs that security check each and every time the Vehicle is Started so that after exchanging the confirming information, the BCM can allow the Radio to function properly.

However, a BCM can malfunction and become "The Fly in The Ointment". BCM Modules DO Fail from time to time and in some cases, installing the BCM from ANOTHER similar Vehicle as a replacement will likewise NOT work unless it gets Added to the System using a "GYMKO" Tech 2 Scan Tool.

It is usually necessary to ensure a common Vehicle VIN assigned inside the PCM will agree with the BCM. YMMV with this as the outcome depending upon which GM Vehicle is involved after installing a "Junk Yard" BCM and finding out if it will Function Properly... or NOT.

Also, if someone Swaps in a Different Radio (...that has possibly been stolen from another vehicle...) it will NOT work until it has been correctly added-assigned as a New Module to the Network via the "GYMKO" Tech 2.

You have not mentioned whether or not the Radio in the 2003 Cadillac Escalade is an OEM version, or an After-Market Unit. THAT information might be relevant to its present behavior whenever the Network goes sideways for any reason.

All of this intermingling of disparate GM OEM Control Modules is impossible to achieve without having access to the right High End Scan Tools to Diagnose the System... and access to the ACDelco TIS2WEB or TIS2000 SPS Software if needs be to be able to Download and Install New Calibrations that satisfy ALL their Module Functionality and Security Issues.
 
Last edited:
If it were me... I would PULL THE RADIO OUT OF THE DASH...UNHOOK ALL CONNECTORS & ANTENNA... AND SHAKE THE LIVING HELL OUT OF IT!!!

...While Listening for anything Metallic Bouncing Around Loose inside of it that could CAUSE A SHORT TO GROUND.
Take it one step further, leave it out! One less link in the daisy chain system to pull down the system. Once you get it all back up and running, than you can put it back in.
 

Forum Statistics

Threads
24,098
Posts
646,810
Members
20,351
Latest member
WTB927240

Members Online